服務熱線
0319-5399994 5399995
功能和特性
價格和優(yōu)惠
獲取內部資料
微信服務號
冀盾產品展示
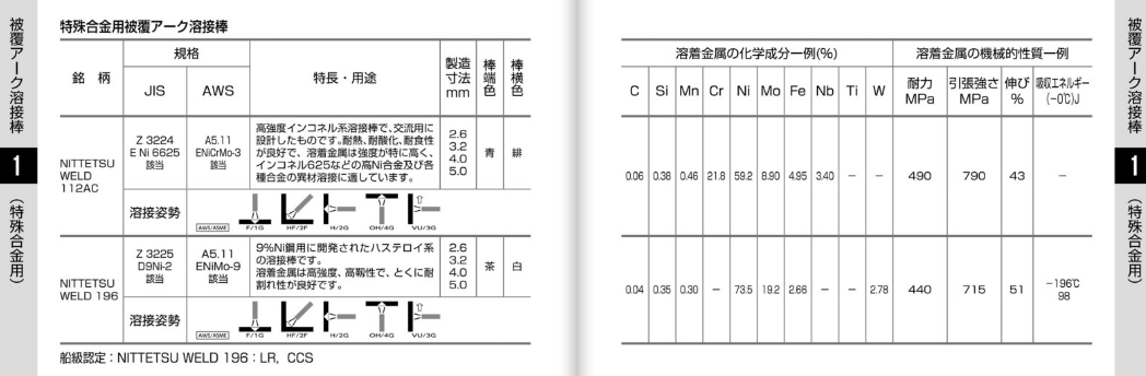
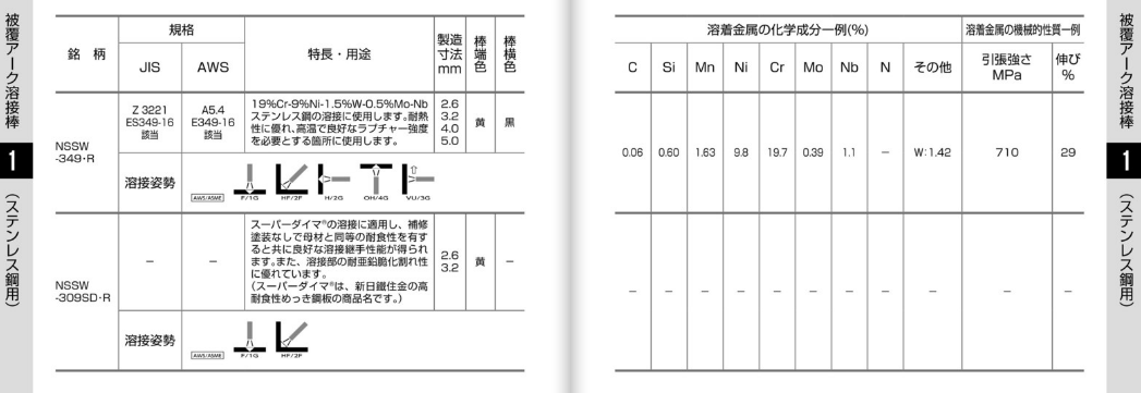
日本住友焊材
【產品咨詢】0319-5399995 5399994
【技術咨詢】13903191111
【手機微信】13903191111
Contact Us
地 址:河北省南宮市馬家莊1號 電 話:0319-5399994 5399995 傳 真:0319-5399009 郵 箱:jwhjcl@163.com 網(wǎng) 址:xiangdudu.cn
版權所有:河北冀王焊接材料有限公司冀ICP備2021029026號-1